この記事でわかること
・NPNとPNPトランジスタの動作の違いと使い分け方
・定番トランジスタ2SC1815/2SA1015について
・NPNとPNPを使ったラッチ(自己保持)回路の動作原理
バイポーラトランジスタにはベース端子に電流を流し込んで動作するNPNトランジスタと、
ベース端子から電流を流しだして動作するPNPトランジスタがあります。
この2つのトランジスタを組み合わせることで、一度入力信号がONになったら、
OFFになっても出力状態を維持し続けるラッチ(自己保持)回路を構成できます。
本記事ではラッチ回路の動作を説明するにあたり、
NPNとPNPトランジスタの動作の違いや使い分け方を解説し、
定番トランジスタ2SC1815/2SA1015を使った回路例を紹介します。
<注意点>
本記事はトランジスタを使用する際の基礎知識を説明することが目的であり、
解説する製品の機能や回路の動作を保証するものではありません。
ここで紹介する選定方法が適切で無い場合がある為、
使用の際は、デバイスのデータシートを必ず確認の上、
回路への利用については自己責任でお願いします。
NPNとPNPトランジスタの動作の違い
トランジスタの用途は、小信号の増幅用として使うか、
ON/OFFさせるスイッチング用としての2つの使い方がありますが、
今回はラッチ回路に使うので、スイッチング用として動作させる場合を前提に説明します。
増幅用としてのトランジスタの動作と使い方については下記記事を参照ください。
PやNは半導体の種別のことで、ダイオードはPN接合となっており、
電流はP側からN側へ一方向のみ流れます。

NPNやPNPは接合の順序を表しており、図のような構成になっています。
NPNはベースがPなので、ベース端子に電流が流れ込み、
PNPだとベースがNなので、ベース端子から電流が流れ出します。
一般的に最も使用されるエミッタ接地回路(※)で説明すると、
NPNはベースからエミッタ間がダイオードの順方向接続と同じになり、
トランジスタ記号にある矢印の向きに電流がベースからエミッタに流れます。
※エミッタ接地と言っても、PNPではエミッタ側がGNDではなくVcc側に接続されますが、
これはエミッタ電圧が一定の基準電圧で動作するという意味です。
PNPではエミッタからベース間がダイオードの順方向接続と同じになるので、
記号にある矢印の向きにエミッタからベースに電流が流れます。
トランジスタの基本動作として、ベース・エミッタ間に電流(ベース電流IB)が流れると、
IBを電流増幅率hFE倍したコレクタ電流Icをコレクタ・エミッタ間に流すことができます。
ここで、「電流が流れる」ではなく、「流すことができる」と書いたのは、
コレクタ電流Icの上限値は接続された電源と負荷によって決まるため、
仮にhFE×IBが大きくても、電源電圧Vcc/負荷抵抗RLより大きな電流は流れません。
そして、スイッチングに使う場合、ON時のコレクタ損失(PC=VCE×IC)を最小限にするため、
VCEがぼぼゼロとなるコレクタ・エミッタ間飽和電圧VCE(sat)となるように、
コレクタ電流ICに対し十分大きなベース電流IBを流す必要があります。
このため、必要なIBを求める際にデータシートにあるhFEの値を使わないようにします。
理由については、この後の定番トランジスタのところで説明します。
定番トランジスタ2SC1815/2SA1015
50年ほど前に発売された古いトランジスタで、オリジナルの東芝製は廃止となっていますが、
他社から同一型名の製品や、同等品であることを謳った製品が多数あります。

チップタイプの同等品(※)なら東芝製2SC2712/2SA1162が
発売から40年以上のロングセラー品であり、上記リード品よりも低価格です。
※コレクタ損失Pcが150mWである以外は同等
上記で取り上げた4製品は秋月電子などの通販サイトで購入でき、入手性が良いです。
型名の2SCはNPN、2SAはPNPトランジスタを表しており(※1)、
この2つは極性が反転しているだけで同じ電気的特性を持っていることから、
コンプリメンタリ(相補)トランジスタと呼ばれています。
同じ特性にすることで、ON/OFFのタイミングや増幅率を合わせられるため、
プッシュプル回路にした場合、出力が上下対象で歪みの無い波形にできます。
プッシュプル回路については下記記事で解説しています。

最大定格はVCEO=50V、IC=150mAとなっており、設計では余裕度(※)を考慮し、
電源電圧40V以下、出力電流120mA以下の回路で使えます。
※トランジスタのディレーティング(余裕度)の目安は、
一般的にはVCE:85%、Ic:80%、Pc:50%程度で設計します。
次に、トランジッション周波数fTが80MHzとなっています。
fTは電流増幅率hFEが1となる周波数で、
必要とするhFEによって使用可能な最高周波数はfT/hFEとなります。
本トランジスタをスイッチングで使用する場合はhFEを10~20程度で使う(※2)ので、
スイッチング周波数の上限は80MHzの1/10~1/20となる4MHz~8MHzとなることから、
殆どの小信号スイッチング回路で利用できます。
増幅回路に使う場合は、ある程度の大きさのVCEでIcを流すため、
コレクタ損失(Pc=VCE×Ic)が大きくなります。
Pcの最大定格は400mWですが、余裕度を考慮して200mW以下で使うようにします。
電流増幅率hFEは上図に示す複数のランクがあり、型名の末尾にO,Y,GR,BLがつきます。
入手性が良いのはYとGRで、BLランクはPNP(2SA1015、2SA1162)にはありません。
これは色の英語表記(Orange,Yellow,Green,Blue)の頭文字から来ており、
抵抗のカラーコード(橙:3、黄:4、緑:5、青:6)の様に
高い数値が割り当てられている色ほどhFEが高くなっています。
<※1:2SCなどの型名について>
古いダイオードやトランジスタの型名には下図に示す体系になっているものがあります。
これは、命名法がJIS規格(JIS C 7012:1982)で定められていたのですが、1993年に廃止となり、
現在はメーカーが独自で型名を決めています。

本記事で登場した2SCや2SAは高周波用のカテゴリになっていますが、
2SC1815のデータシートには低周波増幅用と書かれており、技術の進化を感じさせます。
<※2:スイッチング用途で使う場合の電流増幅率hFEの求め方>
2SC1815のデータシートで電流増幅率hFEの項目を見ると70~700とありますが、
条件にVCEが6Vとなっており、これは増幅用として使う場合に参考にする値です。

スイッチングで使用する場合はON時にVCEがほぼゼロとなるように使うので、
コレクタ・エミッタ間飽和電圧VCE(sat)が0.1Vとなる条件である
IC=100mA、IB=10mAの比から、hFE=IC/IB=10を参考にします。
NPNとPNPを使ったドライブ回路
基準となるエミッタ電圧に対し、ベース電圧が高いとNPNはONし、
逆にベース電圧が低いとPNPはONすることを利用したドライブ回路を次に示します。
この回路は、PICマイコンなどのデジタル出力が10mA程度の小電流しか流せない為、
LEDやリレー等の負荷に大きな電流を流したい場合に使います。
ここでは電源電圧Vccを5Vとし、PICマイコンのデジタル出力により、
トランジスタをON/OFFすることで、負荷RLに電流を流す場合を例にしています。

NPNの場合はデジタル出力がH出力でトランジスタをONさせますが、
この出力をベースに直結すると、H出力とGND間にダイオードを繋げることと同じなので、
過大なベース電流が流れてしまい、マイコンやトランジスタが壊れてしまうので、
ベース抵抗RBを入れてベース電流を制限します。
ベース抵抗の決め方については下記記事で解説しています。
L出力になっても、エミッタよりベースの方が電圧は僅かに高いですが、
ダイオードは順方向電圧VF(0.6V程度)以上(※)の電圧が印加されないと電流は流れないので、
ベースに電流が流れず、ONしません。
※トランジスタのデータシートではベース・エミッタ間飽和電圧VBE(sat)として記載
しかし、電源投入直後のマイコン出力はハイ・インピーダンス状態になるものがあり、
この時、ベースに何も繋がっていない状態になるのでトランジスタの動作が不安定になります。
それ以外にも、ノイズや漏れ電流の影響でベースに電流が流れてONしてまう場合があります。
これを防ぐため、ベース・エミッタ間に抵抗RBEを設けて、
抵抗側に電流を流してベースに電流が流れないようにしますが、
信頼性よりコスト重視の回路では抵抗が無い回路もあります。
RBEは一般的に1k~10kΩ程度とされていますが、詳細は下記記事を参照下さい。
PNPの場合はデジタル出力がL出力でトランジスタをONさせますが、
これもエミッタからベース間がダイオードの順方向になるので、
ベース電流の流れ過ぎを防ぐベース抵抗RBと、H出力でONしないように
ベース・エミッタ間抵抗RBEを設けます。

両回路の使い分けですが、NPNを使ったドライブ回路は負荷が電源側に接続されており、
マイコン用の電源電圧Vccとは別電圧の電源(Vccより高くても可※)で
負荷を動作させることができます。
※但し、最大コレクタ・エミッタ間電圧よりも低い必要がある。
PNPを使ったドライブ回路は負荷がGND側に接続されており、
負荷に印加できる電圧はマイコン用の電源電圧Vccより高くできません。
負荷電源をVccより高くしたい場合は、図のように一度NPNトランジスタを介してから
PNPドライバを接続すれば負荷側を別電源にできます。

以上から、一般的には扱いやすいNPNの方が多く利用されていますが、
負荷への信号線が断線してGNDと接触すると、負荷に電流が流れて誤動作の恐れがあるのに対し、
PNPは信号線がGNDと接触しても負荷に電流は流れないので、安全度が高いです。

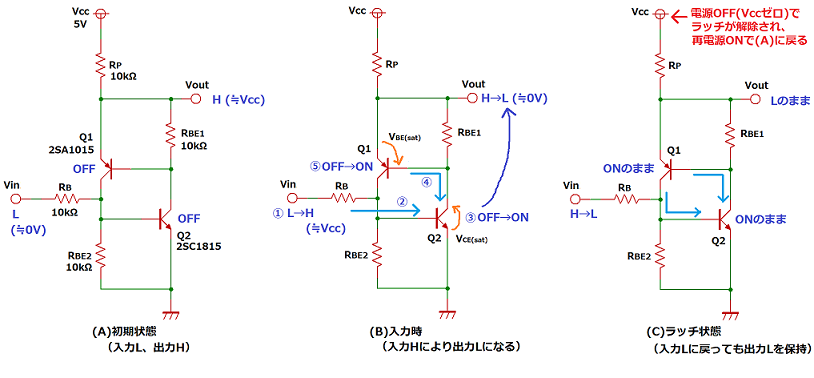
NPNとPNPを使ったラッチ回路の動作原理
NPNとPNPトランジスタのコレクタとベースが互いに接続された構成となっており、
入力VinがHになると、各トランジスタがON状態(出力VoutがL)となり、
その後VinがLに戻ってもON状態のままとなり、VoutがLを維持します。

動作の流れを説明します。まず、初期状態(VinがL)の時はQ2(NPN)がOFFなので、
Q1(PNP)のベースから電流は流れずQ1もOFFとなり、
VoutはHレベル(Rpによるプルアップと同じなので、ほぼVcc)になります。
プルアップ抵抗については下記記事で解説しています。
VinがHになると、Q2のベースに電流が流れ込んでONとなり、VoutはL(※)となります。
この時、Q1のベースからQ2を経由してGNDへ電流が流れ出すのでQ2もONとなります。
※この例ではコレクタ電流Icが0.5mA程度なので、データシートより
Q1のE-B間はVBE(sat)=0.6V、Q2のC-E間はVCE(sat)=0.04Vとなり、Vout=0.64Vとなる。
次にVinがLに戻っても、Q1がONしているので、
VccからRp経由でQ2にベース電流が供給され続けるため、Q2はONを維持し、
それによって、Q1もベース電流が流れ続けるので、Q1もON継続となります。
以上の動作により、VoutはLレベルを保持(ラッチ)することができます。
ラッチを解除するには電源Vccをオフすることで、
Q1、Q2へのベース電流供給が無くなり共にOFFとなり、
再度、電源オンで初期状態(VoutがH)に戻ります。
ラッチ回路を利用した過電圧保護(OVP)回路
出力ON/OFF機能がある電源制御ICとラッチ回路を組合わせることで、
回路異常でVoutから過電圧が出力された際にラッチ停止し、
Voutに接続された負荷を過電圧保護(OVP:Over Voltage Protection)します。

本例では、昇圧チョッパ回路において回路異常が発生し、
Voutが異常に高い電圧となった場合、A点の電圧が
ツェナー電圧Vz+Q2のベース・エミッタ間飽和電圧VBE(sat)以上になったら、
ラッチ回路が動作して制御ICのON/OFFがLレベルとなり、動作が停止します。
昇圧チョッパについては下記記事で解説しています。
ラッチ回路の働きにより、Voutが過電圧状態でなくなっても、
Vccを一度OFFしてから再度ONしない限り、電源は動作しないことから、
安全性を向上できます。







